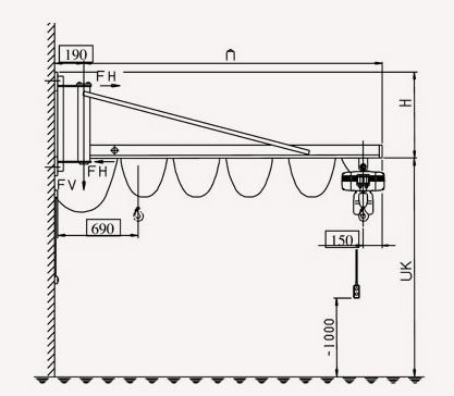
Грузоподъёмные Консольно-поворотный подъёмный кран, монтируется на стене |
21.02V001 |
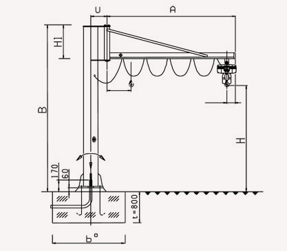
Консольно-поворотный подъёмный кран, монтируется на колонне![]() |
21.01V001 |
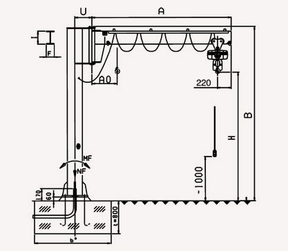
Консольно-поворотный подъёмный кран, монтируется на колонне![]() |
21.01V012 |
Кран-балка с опорами![]() |
22.03V011 |
Устройство для подъёма оконных конструкций![]() |
26.03V001 |
Устройство для подъёма оконных конструкций![]() |
26.03V002 |
Вакуумные грузоподъёмные и транспортные механизмы
|
26.03V003 |
Вакуумные грузоподъёмные и транспортные механизмы с пневматическим подъёмом |
26.03V006 |